杭州恩創機械有限公司 > 產品中心 > 蒸發結晶設備 > 蒸發結晶器 >
熔融結晶器
所屬系列:蒸發結晶器
產品簡介:熔融結晶是一種常用的分離技術, 在化學工業中, 如脂肪酸、氯乙酸、苯酸、硝基氯苯、萘等產品的精制分離已廣泛應用。瑞士舒爾壽兄弟有限公司在熔融結晶分離技術上獨樹一幟, 擁有
熔融結晶是一種常用的分離技術, 在化學工業中, 如脂肪酸、氯乙酸、苯酸、硝基氯苯、萘等產品的精制分離已廣泛應用。我公司引進該技術并與天津科技大學合作,開發溶解結晶技術。近年來, 由于全球性的能源危機, 熔融結晶分離技術, 作為一種具有特殊潛力的節能手段, 已受到越來越廣泛地重視, 由于其特有的優點, 有著非常廣泛地應用前景, 動態熔融結晶技術為生產高純度的有機產品提供了即經濟又可靠的工藝。

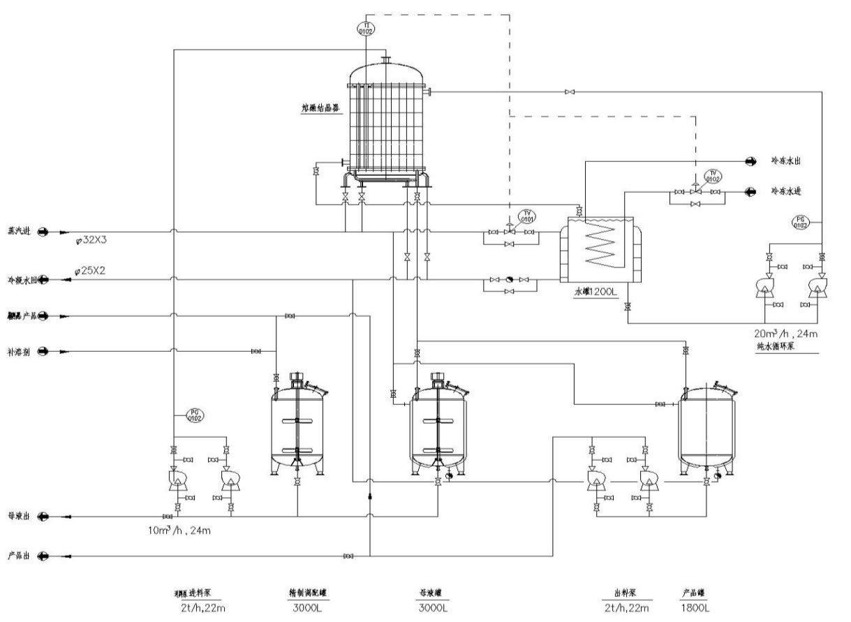
熔融結晶器原理
熔融結晶的原理是很簡單的。如果把一個不純的、已熔融物質冷到凝固點, 移去熱源, 部分物質就凝固。對大多數系統來說, 固體是純物質, 雜質濃縮在殘留熔融物中稱為殘渣。凈化產物從殘渣中分離回收并可再次熔融。
1、靜態熔融結晶器
這是最簡單的分步結晶技術。結晶層浸沒于靜態熔液中, 在冷卻表面慢慢生成, 設備常用水平管—殼式熱交換器, 熔液在殼程, 冷液在管程。開始時殼程進料, 然后加人冷液慢慢降溫, 晶體層成長,然后仔細升溫對晶體加熱, 結晶熔化后出料成品。靜態結晶器試驗裝置中, 其單板操作數據可以有效地按比例放大。靜態結晶器結晶層成長速率限于每小時, 結晶成長速率加快會導致固液界面雜質含量上升, 換言之, 會局部地降低結晶點。結晶層成長不穩定會導致多孔結晶結構, 使殘渣不易排出。
2、降膜式熔融結晶器
現今降膜結晶器技術已大量使用, 工廠規模達大中型, 生產的產品范圍寬。此法已大量取代了靜態結晶器生產禁, 取代苯及一抓乙酸的結晶熔融。此法也用于提取超高純的各種單體。它沒有結晶器常有的溢流現象, 用熔融液膜連續下降流過冷卻面, 在冷卻面上成長成結晶層, 在固液相接觸界面上的剪切力能迅速把雜質傳送到粗滯的熔融液中, 使結晶特別迅速地成長, 并使得相間穩定。當結晶固相成長速率超過每小時時,比靜態結晶器的速率快倍地成長。
圖1表示了這樣的工藝流程, 結晶器中含有垂直管, 結晶層長成柱狀, 收集罐在管下與結晶器整體建造。在每個分離步驟開始時先用料液充滿, 然后啟動循環泵把物料充人管中。在結晶器的殼程制冷劑溫度緩慢下降時, 熔液循環速率比結晶沉淀時高, 以致其溫度和組成沿管長均勻地下降。

把殼程溫度緩慢恒速下降, 直到收集罐料面下降到預定值, 此時熔融物循環停止結晶排出, 余下殘渣。然后把殼程溫度緩慢地上升到恰好在產品的熔點下, 析出雜質, 再排料。殼程制冷劑也按降膜下降。泵循環速度加大, 冷液均勻分布于每根管子, 直至頂部。有效控制溫度梯度, 這對物料析出階段特別重要。管程中也要防止物料混流, 因為每根管子兩邊液力和熱力條件是相等的, 這里按比例放大的效應很小。把試驗工廠的單級管數據放大可設計有幾千根管的裝置。
3、多級熔融結晶器系統
工業單級分離過程的產品若不能達到產品純度, 可用多級裝置。雜質殘存于結晶結構內部或表面可簡單地用殘晶析出法清除, 這就是用重復結晶來析出及融熔生產產品。多級步驟是在同一結晶器中進行的。在同一裝置中把物料再加工, 在第一道加工步驟的最后階段,熔融狀的產品停留在收集罐里, 然后把此產品用同一裝置再結晶。
4、熔融結晶殘渣洗滌
若不帶殘渣洗滌分離系統, 若加的料是較純的,這樣將損失產品, 因此需分離殘渣, 以提高收率。過程產生的廢蒸汽相應可濃縮雜質, 實際上, 每批加工收集到的殘渣積存到可裝滿結晶器時再加工, 可以用多級洗滌分離進一步減少殘渣量。在多級殘渣中,共熔點組分都是相近的, 所以可一起回收。
下述物質用熔融結晶法精制或分離二甲苯異構體分離:
4,4-二氨基二苯甲烷、脂肪酸異構體分離、苯甲酸異構體分離、己內酞胺、對甲苯酚異構體分離、睛、一氯醋酸、對二氯苯及抓苯衍生物、雙酚、丙烯酸、禁及蔡衍生物、硝基抓苯、硝基抓苯衍生物、丁烯二酸、蠟、硝基甲苯, 硝基苯衍生物、甲酚、二甲酚, 酚類異構體分離、人造奶油、潤滑油脫蠟、半導體單質及金屬材料的超高純單體等。
上一篇:硫酸銨蒸發結晶器專業的結晶設備
下一篇:沒有了


